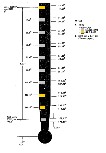
Payload Bay Door Pushrods



When the doors are opening, the pushrods display up to ten stripes, each 17.5° apart (from the top, the stripes are one gold, six silver, two gold, and one silver). Since there is limited telemetry on how open the doors are (0° = full closed, 175° = full open), the crew can assist MCC in determining if a door is opening or closing properly, or if it is jammed or warped, by calling down the number of stripes on the pushrods. Six of these pushrods are attached to the door torque tube and a bell crank, all of which open and close the doors.

Pushrods for these descriptions are numbered from forward (#1) to aft (#6). The closest of these six pushrods to the crew compartment (#1) is not visible to the crew from windows W9 or W10. Additionally, the lowest of the 10 stripes (silver) is not visible due to "monkey fur", brush-like bristles covering the opening that the pushrod sticks out of.

Starboard Payload Bay Door

During door opening (in OPF)

After fully open (in OPF)
Starboard pushrod #2, with the door fully open (from W9). Note that the last stripe is not visible due to the "brush bristles" at the opening.

Starboard pushrods #3 and #4 with the door fully open (from W9).

Starboard pushrods #3 and #4 with the door fully open (from W10). Note the pushrod is offset from the picture at left in relation to the PRLA, and is less visible from this window.

Starboard pushrods #5 and #6 (closest to the aft bulkhead) with the door fully open (from W9).

Port Payload Bay Door

Door opening (in OPF)
Port pushrod #2 during door open operations (from window W9). Just over 5 stripes are visible, about 75° open.

A few seconds later, the 6th stripe is visible, about 90° open.

The 8th stripe becomes visible, about 120° open.

For the test, the door was stopped at about 140° open, or 9 stripes.

Port pushrod #4 during open operations. About 2 stripes are visible, about 35° open.

For the test, the door was stopped at about 140° open, or 9 stripes.

Port pushrods #6 (closest to the aft bulkhead) and #5 with the door fully open (from W9).


Return to the Main Page
Next step in door closing: Bulkhead switch module (info)

HTML & Web page design by DT36/Michael Grabois, 281-244-2333
created March - May 2000 / last updated April 2002